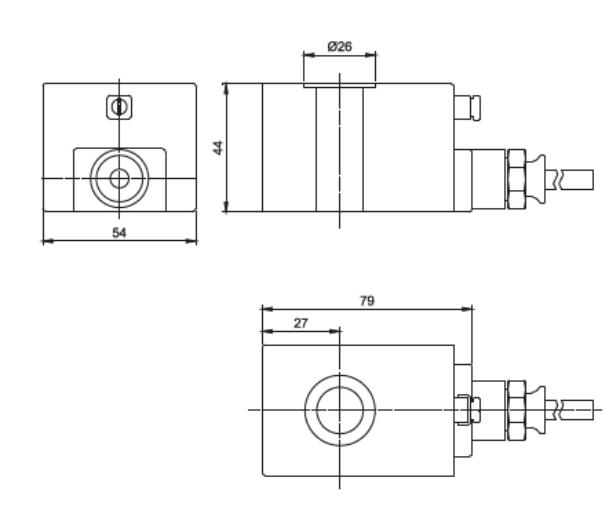
1780/1781 Eksplosionssikker spole af 17-hullers tovejs magnetventil
detaljer
Gældende industrier:Byggematerialebutikker, maskinreparationsværksteder, produktionsanlæg, gårde, detailhandel, anlægsarbejder, reklamefirma
Produktnavn:Magnetspole
Normal spænding:AC220V AC110V DC24V DC12V
Normal strøm (AC):26VA
Normal strøm (DC):12W
Eks-bevis karakter:Exmb I/II T4
Spoleforbindelsestilstand:Kabelleder
Eksplosionssikkert certifikatnummer:GYB081234X
Produktionslicensnummer:XK06-014-00295
Produkttype:1780/1781
Forsyningsevne
Salgsenheder: Enkeltvare
Enkeltpakkestørrelse: 7X4X5 cm
Enkelt totalvægt: 0.300 kg
Produkt Display







